tansuoguangying.jpg
XGW-12~24kV环网箱(开闭所)
XGW-12~24kV环网箱(开闭所)
更新时间:2024/11/20
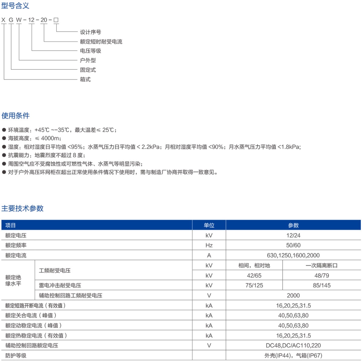
XGW-12~24kV环网箱(开闭所)是新一代模块化、多功能组合、高可靠性、结构紧凑且免维护的环网开关设备,适用于10~35kV供电线路的环网供电或双辐射供电,亦可用于终端供电,对被供电的地区能起到电能的控制和保护作用。广泛应用于供电负荷密度大,用电缆馈电网络的城市环网配电及大型工厂、居民小区等。 XGW-12~24kV环网箱(开闭所)主要由SF6气体绝缘封闭紧凑型开关设备(C-GIS)和金属(或非金属)外箱体组成,所有高压带电部分封闭在SF6气体绝缘的不锈钢箱体内,按用户需要可按照进线单元、出线单元、计量单元、联络单元、PT(电源)单元等排列自由组合,并可加载配电自动化系统,安装简单、通风良好、美观环保、无凝露问题、不受环境影响。 在环网柜中只需配备上配电自动化终端设备(FTU/RTU)与通讯装置,即可与配电自动化系统的控制中心进行通讯,而且可进行线路的电压、电流等多种电量的测量、监控各开关的工作状态。

1665712744760813.png

推荐产品